生產工藝
不銹鋼水箱底座基礎及安裝圖集

	1.單塊水箱板的規格為1000×1000,1000×500,500×500,1000*2000
	2.各種高度不銹鋼水箱的水箱板組合形式如下:
	安裝工藝流程:

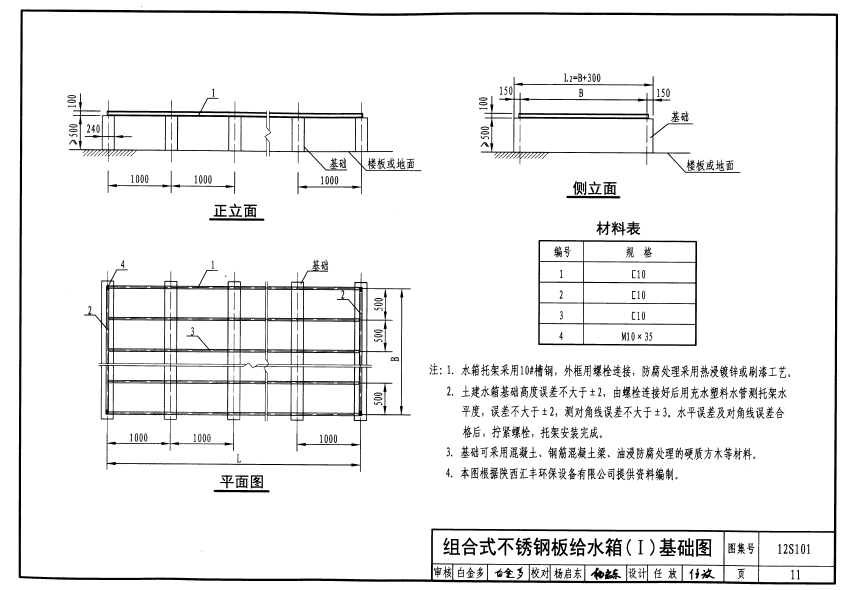
	水箱基礎
	1.設備全部選型定型后,進行設備基礎的設計和施工。
	2.水泥要設置高度為 600mm以上的基礎。基礎寬300~400mm、基礎中心間距為1000mmm,與鋼架座成互相垂直(如下圖)。基礎應加工成水平狀態。加工精度要求為:水平度偏差不超過1mm。槽鋼間距為500mm。


微信服務號
鄂公網安備 42011202000782號