公司動態
不銹鋼保溫水箱如何安裝及驗收
不銹鋼是近代國家太陽能熱水器、保溫水箱中常用的材料。不銹鋼保溫水箱具有優良的強度,可塑性,耐腐蝕性和焊接性,用薄的不銹鋼板焊接成的水箱即輕又強,被廣泛用于一體式的承壓及非太陽能熱水器水箱
不銹鋼保溫緣水箱安裝及驗收標準:
1、安裝時,箱體與墻體之間留有不少于700mm的檢修通道,箱體頂部與箱體底部留有不少于500mm的檢修通道。
2、 土建施工時先做好支墩,水箱箱底單元板塊之間的連接縫要座落在支墩上。
3、組裝好后,關閉出水管和排水管,打開供水管,邊加水邊檢查至盛滿水,不銹鋼保溫水箱24小時無泄漏為合格
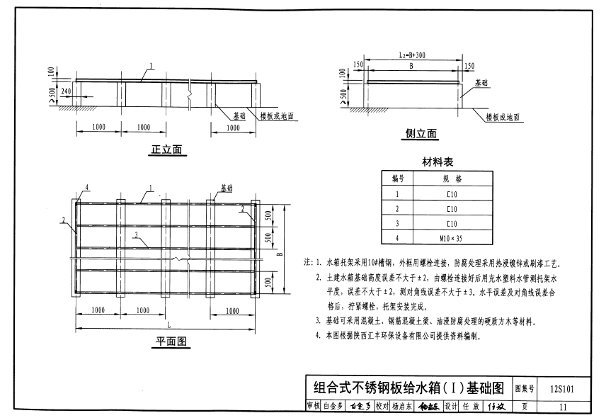
4、水箱基礎要求
混凝土基礎的幾何尺寸應按 gb02s101制定。 混凝土基礎的水平差小于5mm。
5、不銹鋼保持罐安裝,施工和檢查
焊工現場氬弧焊接。 建筑工地有標準電源供應。 水箱周圍有超過500毫米的檢修空間。 外觀檢驗無腐蝕: 充水2-3h,箱體無變形,焊縫無滲漏為合格。
6、水箱的使用、維修和保養
配管時,切勿向配管進出水口施加過大的負荷。不要將閥門及大口徑管道的重量直接施加到水箱水口,要時設置管道支撐:對焊接管的膨脹、收縮、振動須裝伸縮柔性接頭。





微信服務號
鄂公網安備 42011202000782號