專題
12S101 不銹鋼水箱圖集全冊 點擊
消防水箱基礎圖集中可以了解什么?不銹鋼消防水箱在消防當中的作用是很大的,這種水箱的作用是很大的。如今,會有不銹鋼消防水箱基礎圖集,如果想要了解一些消防水箱知識,就可以在基礎圖集當中去了解。那么,不銹鋼消防水箱基礎圖集當中可以了解什么?
能夠知道消防水箱的外形:消防水箱有一定的外形,如果想要購買這種水箱就一定了解水箱的外形,基礎圖集當中會有這些水箱的外形。所以,想要買到靠譜的消防水箱,直接在圖集當中去了解是很重要的。
知道消防水箱的基本參數:不管什么類型的水箱都會有一定的參數,按照正確的參數去選擇消防水箱是很靠譜的。該水箱基礎圖集當中會將水箱的參數都寫清楚,所以選擇消防水箱的時候多去了解基礎圖集是很好的。
能夠知道水箱的基本材質:消防水箱的制作材質是很重要的,但是想要了解材質就一定要通過正確的方法去了解。消防水箱基礎圖集當中會有消防水箱的制作材質,如果想要知道材質的話就可以在這些地方去了解。
總之,關注消防水箱基礎圖集是很重要的,這種圖集還能夠給購買者帶來一些好處。所以,為了成功的去購買一個好的消防水箱,就需要在購買之前多去了解一下消防水箱基礎圖集,仔細的去研究消防水箱基礎圖集,就能夠買到有用的消防水箱,然后給生活帶來一些便利,并且能夠避免一些不好的事情出現。
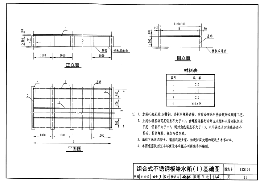
組合式不銹鋼板給水箱(一)基礎圖:

組合式不銹鋼板給水箱(二)基礎圖:

組合式不銹鋼板給水箱(三)基礎圖:

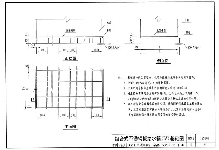
組合式不銹鋼板給水箱(四)基礎圖:

組合式不銹鋼助板給水箱(一)基礎圖:

組合式不銹鋼助板給水箱(二)基礎圖:

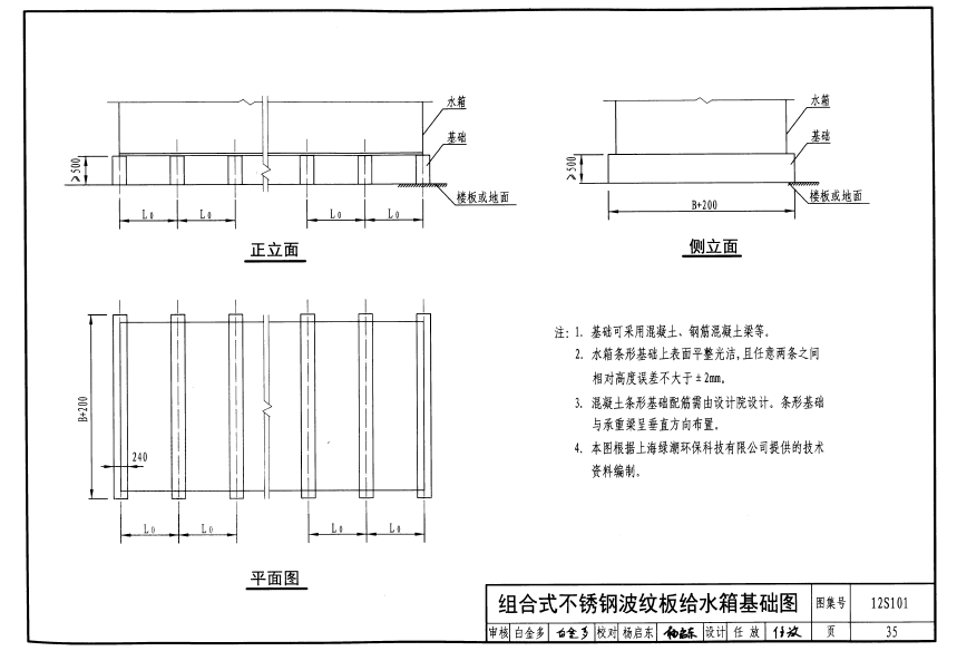
組合式不銹鋼波紋板給水箱基礎圖:

裝配式給水箱(一)基礎圖:

裝配式SMC給水箱基礎圖:

水箱選用簡圖:


微信服務號
鄂公網安備 42011202000782號